Магазин запчастей для бытовой техники - Arlos
Москва
close
Выберите ваш регион
АбаканАлександровАльметьевскАнгарскАрзамасАрмавирАртемАрхангельскАстраханьАчинскБалаковоБалашихаБеларусьБелгородБердскБерезникиБийскБлаговещенскБратскБрянскВеликий НовгородВидноеВладивостокВладикавказВладимирВолгоградВолгодонскВолжскийВологдаВолховВоркутаВоронежВоскресенскВыборгГатчинаГеленджикГрозныйДедовскДербентДзержинскДзержинскийДимитровградДмитровДолгопрудныйДомодедовоДонецкЕвпаторияЕгорьевскЕкатеринбургЕлецЕссентукиЖелезногорскЖелезнодорожныйЖуковскийЗеленоградЗлатоустИвановоИвантеевкаИжевскИркутскИстраЙошкар-ОлаКазаньКалининградКалугаКаменск-УральскийКамышинКаспийскКемеровоКерчьКировКисловодскКлинКовровКоломнаКомсомольск-на-АмуреКопейскКоролёвКостромаКотельникиКрасногорскКраснодарКраснознаменскКрасноярскКурганКурскКызылЛенинск-КузнецкийЛипецкЛобняЛыткариноЛюберцыМагнитогорскМайкопМалаховкаМахачкалаМиассМоскваМурманскМуромМытищиНабережные ЧелныНазраньНальчикНаро-ФоминскНахабиноНаходкаНевинномысскНефтекамскНефтеюганскНижневартовскНижнекамскНижний НовгородНижний ТагилНовокузнецкНовокуйбышевскНовомосковскНовороссийскНовосибирскНовоуральскНовочебоксарскНовочеркасскНовошахтинскНовый УренгойНогинскНорильскНоябрьскОбнинскОдинцовоОктябрьскийОмскОрелОренбургОрехово-ЗуевоОрскПавловский ПосадПензаПервоуральскПермьПетрозаводскПетропавловск-КамчатскийПодольскПрокопьевскПсковПушкиноПятигорскРаменскоеРеутовРостов-на-ДонуРубцовскРыбинскРязаньСакиСалаватСамараСанкт-ПетербургСаранскСаратовСевастопольСеверодвинскСеверскСергиев ПосадСерпуховСимферопольСмоленскСосновый БорСочиСтавропольСтарый ОсколСтерлитамакСтупиноСургутСызраньСыктывкарТаганрогТамбовТверьТихвинТольяттиТомилиноТомскТроицкТулаТюменьУлан-УдэУльяновскУссурийскУсть-ИлимскУфаУхтаФеодосияФрязиноХабаровскХанты-МансийскХасавюртХимкиЧебоксарыЧелябинскЧереповецЧеркесскЧеховЧитаШахтыЩелковоЭлектростальЭлистаЭнгельсЮжно-СахалинскЯкутскЯлтаЯрославль
  • - бесплатно по РФ
    Автоперезвон. Работает по принципу: Вы позвонили на номер, мы сбрасываем звонок и перезваниваем через 3 секунды.
  • - по Москве
  • 8 (925) 663-83-63

Call-центр

пн-вс: 10:00-19:00

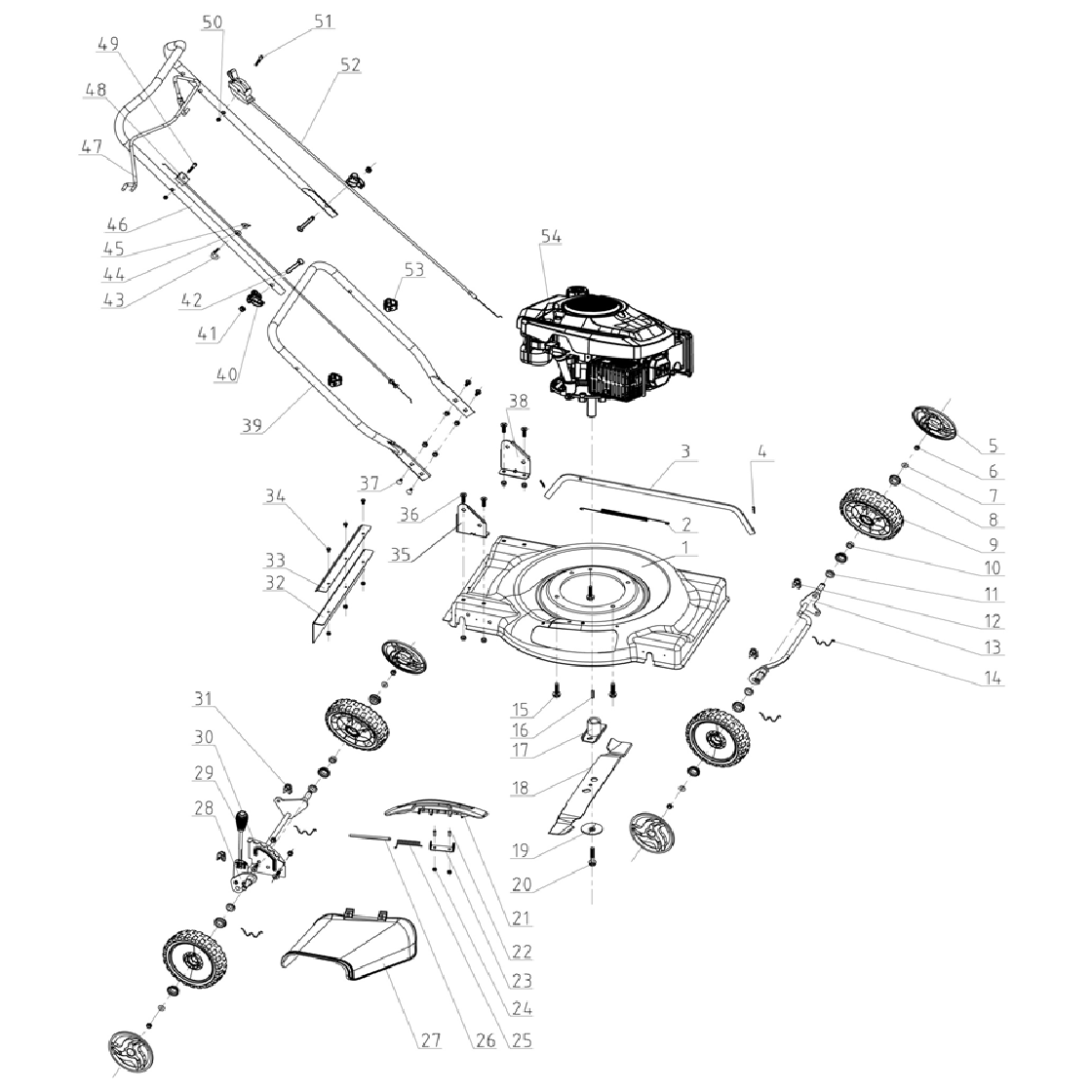
Газонокосилка бензиновая ГКБ-510

Данная модель имеет несколько схем

NАртикулНазваниеСрок отгрузкиЦенаКупить
б/н N000-031-172 Бензобак в сборе 2.905 р.
1.1 N000-020-552 Корпус 3.293 р.
1.10 N000-020-555 Шайба D18хd13х16.6
1.11 N000-020-179 Подшипник пластиковый 165 р.
1.12 N000-020-556 Втулка передней оси
1.13 N000-020-557 Ось передних колес
1.14 N000-020-300 Скоба фиксации оси 92 р.
1.15 N000-020-558 Болт M8x25
1.16 N000-020-559 Шпонка L-35
1.17 N000-020-560 Кронштейн ножа 30mm 414 р.
1.18 N000-020-561 Нож газонокосилки L465 1.062 р.
1.19 N000-020-325 Шайба D10.5xD45x2.5
1.2 N000-020-394 Пружина штанги
1.20 N000-020-410 Болт 3/8 ″-24-UNF L=25
1.21 N000-020-562 Кожух
1.22 N000-020-458 Винт M5х10
1.23 N000-020-301 Скоба
1.24 N000-020-423 Гайка M5(nylon self-locking)
1.25 N000-020-456 Пружина
1.26 N000-020-457 Ось
1.27 N000-020-563 Кожух боковой 1.935 р.
1.28 N000-020-564 Ось задних колес
1.29 N000-020-421 Рукоятка
1.3 N000-020-553 Штанга соединительная 193 р.
1.30 N000-020-565 Рычаг регулировки клиренса
1.31 N000-020-566 Втулка задней оси
1.32 N000-020-289 Брызговик
1.33 N000-020-567 Фиксатор брызговика
1.34 N000-020-568 Болт M5x12
1.35 N000-020-569 Кронштейн рукоятки правый
1.36 N000-020-429 Болт M8x16
1.37 N000-020-570 Кронштейн рукоятки левый
1.38 N000-020-454 Болт M8x16
1.39 N000-020-571 Рукоятка нижняя
1.4 N000-020-402 Шплинт 92 р.
1.40 N000-020-572 Ручка-фиксатор
1.41 N000-020-127 Гайка M8 92 р.
1.42 N000-020-573 Болт M8x50
1.43 N000-020-433 Крюк
1.44 N000-020-574 Шайба D12хd6х1.5
1.45 N000-020-132 Гайка M6
1.46 N000-020-575 Рукоятка верxняя
1.47 N000-020-576 Рычаг тормоза
1.48 N000-020-577 Трос тормоза 5.815 р.
1.49 N000-020-181 Болт M6x35
1.5 N000-020-397 Колпак колеса
1.51 N000-020-287 Болт M6x45
1.52 N000-020-578 Трос воздушной заслонки 434 р.
1.53 N000-020-579 Прижим
1.54 N000-020-580 ДВС ГКБ-510 5.371 р.
1.6 N000-020-190 Гайка регулировочная M8(nylon self-locked)
1.7 N000-020-554 Шайба D16хd8.5х1
1.8 U009-600-1RS Подшипник шариковый 6001-2Z (28х12х8) CHFZ 286 р.
1.9 N000-020-400 Колесо 7″ 771 р.
2.1 N000-020-461 Болт M6x30
2.10 N000-020-468 Кольцо стопорное
2.100 N000-020-547 Крышка фильтра 383 р.
2.101 N000-020-548 Фильтр воздушный каркасный 132х112хh23 265 р.
2.102 N000-020-549 Крышка отработанныx газов
2.103 N000-020-550 Втулка
2.104 N000-020-551 Основание воздушного фильтра 1.159 р.
2.105 N000-020-305 Скоба
2.11 N000-020-469 Шайба D12хd6.5х1
2.12 N000-020-470 Вал регулятора
2.13 N000-020-471 Прокладка картера 2.905 р.
2.14 N000-020-472 Распредвал 465 р.
2.15 N000-020-312 Толкатель 30.5mm
2.17 N000-020-474 Шатун 1.307 р.
2.18 N000-020-185 Болт M6x14
2.19 N000-020-475 Пластина
2.2 N000-020-218 Сальник D38хd25х7 514 р.
2.20 N000-020-476 Болт M6x18
2.21 N000-020-477 Пластина коромысел в сборе
2.22 N000-020-478 Пружина 51х6х0.6
2.24 N000-020-479 Болт M6x23
2.25 N000-020-480 Кулиса регулятора скорости
2.26 N000-020-481 Шплинт
2.27 N000-020-482 Сальник D11хd6х4 145 р.
2.28 N000-020-483 Рычаг регулятора скорости
2.29 N000-020-484 Шланг L=140mm
2.3 N000-020-462 Поддон картера
2.30 N000-020-581 Шланг L=310mm
2.31 N000-020-486 Кронштейн бензобака левый
2.32 N000-020-487 Хомут d8mm
2.33 N000-020-499 Шпилька
2.34 N000-020-489 Хомут d11.5mm
2.35 N000-020-490 Фильтр топливный
2.36 N000-020-491 Крышка топливного бака
2.37 N000-020-492 Кронштейн бензобака правый
2.38 N000-020-493 Фильтр масляный 2.388 р.
2.39 N000-020-494 Прокладка
2.4 N000-020-463 Штифт d8x14
2.40 N000-020-495 Сапун
2.41 N000-020-496 Крышка
2.42 N000-020-497 Маховик 2.905 р.
2.43 N000-020-498 Крыльчатка
2.45 N000-020-500 Чашка-храповик
2.46 N000-020-501 гайка M14x1.5
2.47 N000-020-502 Втулка
2.48 N000-020-503 Корпус верхняя часть
2.49 N000-020-308 Стартер в сборе 1.107 р.
2.5 N000-020-464 Планка прижимная
2.50 N000-020-504 Крышка декоративная
2.51 N000-020-505 Шпилька
2.53 N000-020-313 Тормоз
2.54 N000-020-507 Сальник D35хd22х7 265 р.
2.55 U009-620-5RS Подшипник шариковый 6205-2RS (52х25х15) JT 644 р.
2.56 N000-020-508 Втулка
2.57 N000-020-264 Болт M6x25
2.58 V000-004-333 Магнето H=68 h=58 d=31 L=90 1.080 р.
2.59 N000-020-510 Блок цилиндра D65мм 5.412 р.
2.6 N000-020-134 Болт M6x12
2.60 N000-020-511 Прокладка головки цилиндра 2.905 р.
2.61 N000-020-512 Штифт d10х16
2.62 N000-020-513 Клапан выпускной 577 р.
2.63 N000-020-514 Клапан впускной 577 р.
2.64 N000-020-515 Головка цилиндра 2.905 р.
2.65 N000-001-726-2 Свеча зажигания F7TC для газонокосилок 383 р.
2.66 N000-020-516 Экран глушителя
2.67 N000-020-517 Глушитель
2.68 N000-020-582 Кожух глушителя
2.7 N000-020-465 Регулятор скорости центробежный
2.70 N000-020-519 Крышка клапанная
2.71 N000-020-520 Прокладка клапанной крышки
2.72 N000-020-521 Коромысла в сборе
2.73 N000-020-306 Тарелка клапана
2.74 N000-020-522 Пружина клапанная
2.75 N000-020-523 Шайба маслосъемная
2.76 N000-020-524 Направляющая
2.77 N000-020-525 Штанга толкателя L=121.5mm
2.78 N000-020-526 Болт M8x45
2.79 N000-020-527 Шпилька M6х92
2.8 N000-020-466 Шайба D15хd6.5х0.5
2.80 N000-020-528 Шпилька M6х95
2.81 N000-020-529 Прокладка paper
2.82 N000-020-309 Теплоизолятор
2.83 N000-020-530 Прокладка paper
2.84 N000-020-531 Карбюратор 6.784 р.
2.85 N000-020-532 Прокладка
2.86 N000-020-533 Пружина дроссельной заслонки
2.87 N000-020-534 Тяга дроссельной заслонки
2.88 N000-020-535 Втулка
2.89 N000-020-536 Маслозаливная горловина
2.9 N000-020-467 Втулка регулятора
2.90 N000-020-537 Кольцо уплотнительное
2.91 N000-020-538 Крышка маслозаливной горловины
2.92 N000-020-539 Палец поршня
2.93 N000-020-540 Кольцо стопорное
2.94 N000-020-541 Поршень D65 мм 904 р.
2.95 N000-020-542 Кольца поршневые комплект. D65mm 283 р.
2.96 N000-020-543 Болт M6x50
2.98 N000-020-545 Прокладка
2.99 N000-020-546 Кольцо уплотнительное d21X2.3mm
Найдено товаров: 153
1
▲ Наверх
0
8 (925) 663-83-63

Call-центр

пн-вс: 10:00-19:00

НАЙТИ ПО МОДЕЛИ
Введите номер заказа
Введите номер своего заказа, что бы узнать его текущий статус.
Что бы получить доступ к расширенным функциям, пройдите не сложную регистрацию. Зарегистрироваться